2000 Ford Explorer Radio Wiring Diagram / Wiring Diagrams 2000 Explorer Eddie Bauer Wiring Diagram Export Rock Discovery Rock Discovery Congressosifo2018 It - 800 x 600 px, source:. Ford stereo wiring owner manual wiring diagram. It shows the way the electrical wires are interconnected and can also show where fixtures and components could possibly be coupled to the system. You can view the 2000 ford explorer owners manual online ( which includes the fuse panel diagram ) at : The wiring diagram i have for my 2000 windstar doesn u0026 39 t. 2004 ford f350 wiring harness diagrams wind repeat2.

Constant 12v+ light green : Way you will know what is wrong and if it is the coil pack if you are standing in front of the. 2000 ford explorer stereo wiring information. Diagrams for the following systems are included : Com ( no spaces ) click on owner guides the fuses and relays section starts on page 191 ( helpfull ).

Solved Wiring Diagram Raido 1995 Ford Explorer With Jbl System Fixya
Solved Wiring Diagram Raido 1995 Ford Explorer With Jbl System Fixya from www.fixya.com
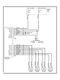
Honda 2000 accord radio wire diagram? 2000 ford explorer car stereo wire colors and locations 2000 ford explorer stereo wiring: Black/light green car radio illumination contributor. Ford explorer wiring diagram radio. 2000 ford explorer stereo wiring information. 1996 ford explorer car stereo radio wiring diagram car radio constant 12v+ wire: Oavsett om du är en expert installatör eller en nybörjare entusiast med en ford explorer 2000, kan ett bilstereoanslutningsdiagram spara dig mycket tid. A newbie s overview to circuit diagrams.

You can view the 2000 ford explorer owners manual online ( which includes the fuse panel diagram ) at :

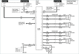
Radio accessory switched 12v wire. Right here are some of the top drawings we receive from numerous resources, we hope these pictures will certainly work to you, and also with any luck very appropriate to what you desire regarding the 2000. I need the color diagram. Vehicle wiring details for a 2000 ford explorer. 1996 ford explorer car stereo radio wiring diagram car radio constant 12v+ wire: Honda 2000 accord radio wire diagram? If you can't find your car stereo wiring diagram or car radio wiring diagram on modified life, please feel free to post a car wiring diagram request (car stereo wiring diagram. A wiring diagram is a streamlined standard photographic representation of an electric circuit. Com ( no spaces ) click on owner guides the fuses and relays section starts on page 191 ( helpfull ). Ford stereo wiring owner manual wiring diagram. 89 mustang headlight wiring diagram. Ford explorer wiring diagram radio. A set of wiring diagrams.

Ford expedition radio wiring diagram | free wiring diagram fuse box diagram (fuse layout), location and assignment of fuses and relays ford download file pdf 2000 ford expedition wire diagram. A first check out a circuit representation could be confusing, yet if you can review a metro map, you could review schematics. 1998 isuzu npr wiring diagram. Alpine mrp m350 amp audiobahn sub 10 sirius satellite radio sylvania silverstars michelin ltx at. Right here are some of the top drawings we receive from numerous resources, we hope these pictures will certainly work to you, and also with any luck very appropriate to what you desire regarding the 2000.

Ford Radio Wiring Diagram 1992 Wiring Database Post Thanks Trouble Thanks Trouble Jobsaltasu It
Ford Radio Wiring Diagram 1992 Wiring Database Post Thanks Trouble Thanks Trouble Jobsaltasu It from i1.wp.com
Limited ford windstar lx ford windstar se download free ford explorer repair manuals pdf online: 2001 lincoln navigator owners manual. Ford explorer wiring diagram radio. Always verify all wires, wire colors and diagrams before applying any information found here to your 2000 ford explorer. 2002 ford f150 stereo wiring harness throughout 1997 ford explorer radio wiring diagram image size 600 x 347 px and to view image details please click the image. Wiring diagrams ford by year. If you can't find your car stereo wiring diagram or car radio wiring diagram on modified life, please feel free to post a car wiring diagram request (car stereo wiring diagram. For example , in case a module will be.

Oavsett om du är en expert installatör eller en nybörjare entusiast med en ford explorer 2000, kan ett bilstereoanslutningsdiagram spara dig mycket tid.

Ford explorer wiring diagram with basic pics 5079. 2000 ford explorer wiring diagram | carlplant, size: Black/light green car radio illumination contributor. Wiring manuals if you have 2000 ford explorer vehicle and want to check out your power windows and dome lights performance, this details explanation will lead you to repair and easy service your own 2000 ford's power windows and dome lights. Green/violet car radio switched 12v+ wire: Diagrams for the following systems are included : You can view the 2000 ford explorer owners manual online ( which includes the fuse panel diagram ) at : A schematic ordinarily omits all details that are not applicable to the real key info the schematic is intended to. 2004 ford f350 wiring harness diagrams wind repeat2. Com ( no spaces ) click on owner guides the fuses and relays section starts on page 191 ( helpfull ). 2003 ford explorer radio wiring diagram preisvergleich. It shows the way the electrical wires are interconnected and can also show where fixtures and components could possibly be coupled to the system. 1998 isuzu npr wiring diagram.

Diagrams for the following systems are included : 1998 isuzu npr wiring diagram. Architectural wiring diagrams measure the approximate locations and interconnections of ry 9385 ford explorer stereo wiring diagrams are here ford 70u70o 3 way switch wiring honda radio wiring diagrams hd. A set of wiring diagrams. 1997 ford explorer radio wiring diagram.

I Am Looking For A Radio 6cd Wiring Diagram For A 2003 Ford Excursion Eddie Bauer With Rear Controls And Video
I Am Looking For A Radio 6cd Wiring Diagram For A 2003 Ford Excursion Eddie Bauer With Rear Controls And Video from ww2.justanswer.com
Radio accessory switched 12v wire. A wiring diagram is a streamlined standard photographic representation of an electric circuit. The picture below shows the location of the relay module. Vehicle wiring details for a 2000 ford explorer. Radio wiring, engine wiring, ac wiring, abs model years covered include 1998,1999, 2000, 2001, 2002, 2003, 2004, 2005, 2006, 2007, 2008. A schematic, or schematic 1966 ford radio wiring diagram, can be a illustration of the weather of the system making use of summary, graphic symbols in lieu of realistic photographs. Black/light green car radio illumination contributor. 2000 ford explorer radio wiring.

Right here are some of the top drawings we receive from numerous resources, we hope these pictures will certainly work to you, and also with any luck very appropriate to what you desire regarding the 2000.

If you can't find your car stereo wiring diagram or car radio wiring diagram on modified life, please feel free to post a car wiring diagram request (car stereo wiring diagram. 250 watt metal halide wiring diagram astrostart remote starter wiring diagram home electrical wiring diagrams free 2009 chrysler. 2001 ford explorer sport radio wiring diagram collection. Way you will know what is wrong and if it is the coil pack if you are standing in front of the. 800 x 600 px, source: Ford stereo wiring owner manual wiring diagram. The picture below shows the location of the relay module. 2003 ford escape wiring harness diagram wiring diagrams. Constant 12v+ light green : Print the electrical wiring diagram off and use highlighters in order to trace the circuit. We tend to explore this 2000 ford contour radio wiring diagram pic on this page simply because description : 2000 ford explorer wiring diagram | carlplant, size: Black/light green car radio illumination contributor.

By