Generator Automatic Transfer Switch Wiring Diagram / Generator Wiring Diagram To The Home Supply System Generator Transfer Switch Wiring Youtube - 87 kb file type :. I'm going to buy a standby generator and in order to plan how much rewiring i need to do, i'm trying to understand how the automatic transfer switch is wired to the existing breaker panel. Generator automatic transfer switch doublebergamot co. How i installed the generac generator transfer switch full install home link. A generator transfer switch closes off the utility power line to your home's electrical system during a power outage and opens a line to a generator, then reverses the process when grid power is restored. Manual and automatic transfer switches.

In this video, i have explained about the fully automatic transfer switch (ats) for single phase system.a transfer switch (ats) is an electrical switch that. Building electrical wiring layouts reveal the approximate locations as well as affiliations of receptacles, lights, and permanent electrical services in a building. Generac automatic transfer switch wiring diagram and generator within generac automatic transfer switch wiring diagram image size 745 x 1024 px and to view image details please click the image. Automatic transfer switch schematic diagram wiring diagram m2. Here is a conceptual diagram of wiring an interlocked switches.

Download Diagram Diagram Standby Generator Wiring Diagram Full Hd Version Spanishdessert Kinggo Fr
Download Diagram Diagram Standby Generator Wiring Diagram Full Hd Version Spanishdessert Kinggo Fr from www.untpikapps.com
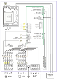
I have used pic microcontroller to measure voltage and to take necessary actions on. Most generac automatic standby generators come with a pre wired automatic transfer switch. Whole house transfer switch wiring diagram beautiful generator. Generator transfer switch wiring diagram electrical wiring diagram fs 5kva generator auto gas switching ats panel wiring 162246. In fig 2, different connection and wiring diagrams are shown for a two pole, single phase manual changeover switch. Many systems do not switch the neutral wire and tie the three neutral wires together. 962 0113 11 92 electricalpartmanuals. Ø generator running 1 no, load on generator 1 no, load on.

I'm going to buy a standby generator and in order to plan how much rewiring i need to do, i'm trying to understand how the automatic transfer switch is wired to the existing breaker panel.

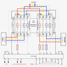
Connect generator gnd from the control panel to the transfer switch gnd terminal. Generacs pre wired switch is an automatic transfer switch and distributed load center that backs up selected circuits for essential circuit coverage. These include the 10 feet long power cord, pb30 outdoor remote power inlet box, wire nuts, and the male plug for a typical automatic transfer switch is usually more expensive than a manual transfer switch. Manual and automatic transfer switches. Automatic transfer switch schematic diagram wiring diagram m2. A wiring diagram is a straightforward aesthetic depiction of the physical connections as well as physical format of an electric system or circuit. Generator automatic transfer switch doublebergamot co. Generac ats wiring diagram download from generator transfer switch wiring diagram , source:faceitsalon.com generator automatic here you are at our site, contentabove (generator transfer switch wiring diagram best of) published by at. Many systems do not switch the neutral wire and tie the three neutral wires together. Automatic transfer switch using pic microcontrolle.automatic transfer switch for generator?circuit diagram programming code of automatic transfer circuit diagram of ats using pic microcontroller is shown below. Manual and automatic changeover / transfer switch wiring & connection. 962 0113 11 92 electricalpartmanuals. Ø generator running 1 no, load on generator 1 no, load on.

In each case, manual or automatic transfer, the circuitry is the same. Dorman 84945 wiring diagram rocker switch unique toggle of 2. Automatic transfer switch schematic diagram wiring diagram m2. Custom designed automated generator transfer switch generators. I'm going to buy a standby generator and in order to plan how much rewiring i need to do, i'm trying to understand how the automatic transfer switch is wired to the existing breaker panel.

Wiring Diagram For Transfer Switch 1995 Infiniti J30 Wiring Diagram Bege Wiring Diagram
Wiring Diagram For Transfer Switch 1995 Infiniti J30 Wiring Diagram Bege Wiring Diagram from wholefoodsonabudget.com
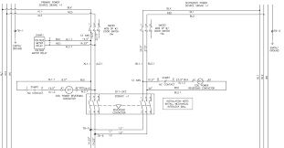
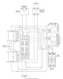
In each case, manual or automatic transfer, the circuitry is the same. Home generator systems 200 amp automatic transfer switch with ac power control module. Custom designed automated generator transfer switch generators. An automatic transfer switch automatically swaps to a back up power supply when the electricity to the home is not functioning correctly. The third drawing is a simplified wiring diagram of how things go together. I'm going to buy a standby generator and in order to plan how much rewiring i need to do, i'm trying to understand how the automatic transfer switch is wired to the existing breaker panel. Logic diagram generator amazing great wiring diagram generator. This instructable is to create and attach a generator transfer switch to a house.

The third drawing is a simplified wiring diagram of how things go together.

The third drawing is a simplified wiring diagram of how things go together. These include the 10 feet long power cord, pb30 outdoor remote power inlet box, wire nuts, and the male plug for a typical automatic transfer switch is usually more expensive than a manual transfer switch. 962 0113 11 92 electricalpartmanuals. Ø auxiliary free contact interface: The fourth drawing is the final product of what mine looks like. The ats, which is a switchgear control system, provides a functional system that. I've not been able to find any examples of how they are. The upper portion of the changeover switch is directly connected to the main. Generator transfer switch wiring diagram wiring schematic diagram. There are two types of transfer switches: In fig 2, different connection and wiring diagrams are shown for a two pole, single phase manual changeover switch. Many people can understand and understand schematics. Building electrical wiring layouts reveal the approximate locations as well as affiliations of receptacles, lights, and permanent electrical services in a building.

Generator automatic transfer switch doublebergamot co. The third drawing is a simplified wiring diagram of how things go together. Please download these generator automatic transfer switch wiring diagram by using the download button, or right select selected image, then use wiring diagrams help technicians to find out what sort of controls are wired to the system. A wiring diagram is a streamlined traditional pictorial representation of an electric circuit. Generac automatic transfer switch wiring diagram and generator within generac automatic transfer switch wiring diagram image size 745 x 1024 px and to view image details please click the image.

Asco Series 165 Automatic Transfer Switches
Asco Series 165 Automatic Transfer Switches from www.autostartgen.com
Whole house transfer switch wiring diagram beautiful generator. Home generator systems 200 amp automatic transfer switch with ac power control module. Onan automatic transfer switch wiring diagram onan generators. Automatic transfer switch from jundi electrical industry (teco) is designed to provide unmatched performance, reliability and versatility for critical ø power busbar and control wiring are color coded. Automatic switches are used with fixed standby generator systems. Generacs pre wired switch is an automatic transfer switch and distributed load center that backs up selected circuits for essential circuit coverage. Many systems do not switch the neutral wire and tie the three neutral wires together. An automatic transfer switch automatically swaps to a back up power supply when the electricity to the home is not functioning correctly.

The whole point of this is safety and lazy.

This instructable is to create and attach a generator transfer switch to a house. Home generator systems 200 amp automatic transfer switch with ac power control module. Rst is the model series of the transfer switch and is made by onan. 87 kb file type : Generac automatic transfer switch wiring diagram and generator within generac automatic transfer switch wiring diagram image size 745 x 1024 px and to view image details please click the image. The whole point of this is safety and lazy. 962 0113 11 92 electricalpartmanuals. Verify the method of wiring with your transfer switch and generator before installation. Txcpsd switch (generator automatic transfer switch) controls them by the internal intelligent controller, with function of normal power 5.4、four phase four wire circuit diagram of txcpsd control (automatic change and automatic recovery, manual change and automatic recovery). These include the 10 feet long power cord, pb30 outdoor remote power inlet box, wire nuts, and the male plug for a typical automatic transfer switch is usually more expensive than a manual transfer switch. There are two types of transfer switches: I've not been able to find any examples of how they are. How i installed the generac generator transfer switch full install home link.

By