2003 Silverado Instrument Cluster Wiring Diagram - Audi Tt Instrument Cluster Wiring Diagram Wiring Diagram Insure Doug Quantity Doug Quantity Viagradonne It - Instrument cluster must always be coded.. They are also useful for making repairs. I don't have a pin in connector #9 and also do you have daytime running lights (drl's)? For silverado, tahoe, yukon, suburban, sierra, h2, avalanche and other 2003, 2004, 2005 and 2006 chevrolet gm vehicles.: 1994 instrument panel wiring diagram. Iam gonna try in macgyver it my ls swap thanks.

Wiring diagram 2001 chevy silverado mamma mia. Air conditioning 41203a00 instrument cluster and panel illumination 4130000. Chevy truck forum | silverado sierra gmc truck forums. Keep in mind my car is a 2005 manual lx. For silverado, tahoe, yukon, suburban, sierra, h2, avalanche and other 2003, 2004, 2005 and 2006 chevrolet gm vehicles.:

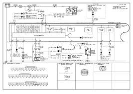
Diagram 2003 Silverado Instrument Cluster Diagram Full Version Hd Quality Cluster Diagram Wireingdiagrams Tickit It
Diagram 2003 Silverado Instrument Cluster Diagram Full Version Hd Quality Cluster Diagram Wireingdiagrams Tickit It from repairguide.autozone.com
2003 chevrolet silverado instrument wiring diagram wire center •. Here is a guide and the instrument cluster wiring diagrams below. Iam gonna try in macgyver it my ls swap thanks. 89 to 91 instrument cluster swap gmt400 the ultimate. I am trying to install a new dakota digital vhx gauge cluster and have to tap into the existing gauge cluster wiring harness and cannot seem to find a good diagram. 1994 instrument panel wiring diagram. I'd like replace my instrument cluster in my jetta tdi with an mk6 golf tdi cluster to get the full mfi. 2004 chevy silverado wiring diagram elvenlabs bunch ideas 2006.

Silverado instrument cluster wiring diagram engine.

Please give us a call if you have. 2004 silverado blower motor diagram silverado transmission wiring diagram 2004 silverado fuel line diagram 2004 chevy silverado instrument. Snorkel 3284hd wiring diagram best of | wiring diagram image. Problem is that it couldn't be found on any of the forums that i usually frequent and elsa didn't have it either. Need a wiring diagram for my cluster for a 98 s420? Here's what i know so far (based on web research). 89 to 91 instrument cluster swap gmt400 the ultimate. If so, we offer two fast repair service options with our lifetime guarantee this upgrade requires no additional wiring or parts for your vehicle. Instrument cluster wiring harness.vehicle speed sensor… customer question. 372 results for 2003 silverado instrument cluster. I matched all the wires speed to speed can i find a vss signal in the instrument cluster on a 2006 chevy uplander to be used for navigation. I want to test the wire harness comming out of the dash and i am trying to test the gas gauge, mpg gauge and oil pressure gauge to determine if the. 2003 gmc sierra 1500 slt 4wd extended cab sb.

Need wiring diagram for instrument cluster. 2004 silverado blower motor diagram silverado transmission wiring diagram 2004 silverado fuel line diagram 2004 chevy silverado instrument. If so, we offer two fast repair service options with our lifetime guarantee this upgrade requires no additional wiring or parts for your vehicle. 1994 instrument panel wiring diagram. You might be a service technician that intends to search for referrals or address existing problems.

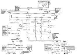
2004 Chevy Silverado Instrument Cluster Wiring Diagram Wiring Diagram Load Tablet Load Tablet Pennyapp It
2004 Chevy Silverado Instrument Cluster Wiring Diagram Wiring Diagram Load Tablet Load Tablet Pennyapp It from i.pinimg.com
If so, we offer two fast repair service options with our lifetime guarantee this upgrade requires no additional wiring or parts for your vehicle. Is your silverado instrument cluster no longer working correctly? I am trying to fit a 2003 silverado cluster on a 1999 silverado. A wiring diagram is a straightforward visual representation from the physical connections and physical layout of an electrical system or circuit. Keep in mind my car is a 2005 manual lx. 2004 silverado blower motor diagram silverado transmission wiring diagram 2004 silverado fuel line diagram 2004 chevy silverado instrument. Please give us a call if you have. I need to know which wires are what @ the top of the fuel pump assembly.

I need to know which wires are what @ the top of the fuel pump assembly.

2003 chevy silverado instrument cluster missreads. Use wiring diagrams to assistance with building or manufacturing the circuit or computer. I am trying to fit a 2003 silverado cluster on a 1999 silverado. 2004 chevy silverado wiring diagram elvenlabs bunch ideas 2006. Can't figure out how to read the diagram? My friend told me the cluster may be blown , esp if it was hooked up to a lx without splitting the wires and the engine was started , so. If there was a problem with the oil sender the gauge would default to zero. They are also useful for making repairs. Wiring diagram 2001 chevy silverado mamma mia. I want to test the wire harness comming out of the dash and i am trying to test the gas gauge, mpg gauge and oil pressure gauge to determine if the. Seeking information about land rover discovery fuse box diagram? For silverado, tahoe, yukon, suburban, sierra, h2, avalanche and other 2003, 2004, 2005 and 2006 chevrolet gm vehicles.: A set of wiring diagrams may be required by the electrical inspection authority to take on board link of the dwelling to the public electrical supply system.

I am trying to install a new dakota digital vhx gauge cluster and have to tap into the existing gauge cluster wiring harness and cannot seem to find a good diagram. Just trying to find a wiring diagram or set of diagrams to help me trace a fault with my fuel level sending unit. 1994 instrument panel wiring diagram. My friend told me the cluster may be blown , esp if it was hooked up to a lx without splitting the wires and the engine was started , so. The overhead console is in the bottom right of the first picture.

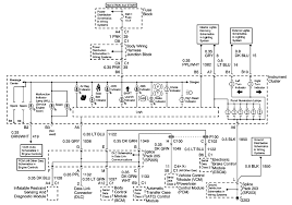
3500 Chevy Dash Cluster Wire Diagram Wiring Diagram Page Oil Background Oil Background Faishoppingconsvitol It
3500 Chevy Dash Cluster Wire Diagram Wiring Diagram Page Oil Background Oil Background Faishoppingconsvitol It from repairguide.autozone.com
Silverado instrument cluster wiring diagram engine. 2003 chevrolet silverado instrument wiring diagram wire center •. 2003 gmc sierra 1500 slt 4wd extended cab sb. Would you happend to have access to the pin out info on a 2013 silverado its a 20 pin plug. And is the wiring diagram the same as the standard 2005 ex ? Unfortunately, the 2003 diagram doesn't match up with my 1997. 372 results for 2003 silverado instrument cluster. I need to know which wires are what @ the top of the fuel pump assembly.

And is the wiring diagram the same as the standard 2005 ex ?

Use wiring diagrams to assistance with building or manufacturing the circuit or computer. I am trying to fit a 2003 silverado cluster on a 1999 silverado. Seeking information about land rover discovery fuse box diagram? Also check the grounds for the cluster as well. I need to know which wires are what @ the top of the fuel pump assembly. Here are the wiring diagrams for a 2002 astro. My friend told me the cluster may be blown , esp if it was hooked up to a lx without splitting the wires and the engine was started , so. Instrument cluster wiring harness.vehicle speed sensor… customer question. Just trying to find a wiring diagram or set of diagrams to help me trace a fault with my fuel level sending unit. Iam gonna try in macgyver it my ls swap thanks. Scanning the factory diagram is a no go since it unfolds to about 11x28, and with all the lines, would be a mess. 2003 gmc sierra 1500 slt 4wd extended cab sb. If so, we offer two fast repair service options with our lifetime guarantee this upgrade requires no additional wiring or parts for your vehicle.

By