Home › Unlabelled ›
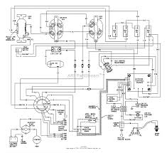
Generac Generator Wiring Diagram / Generac 9091 0 Generac 3 300 Watt Portable Generator Wiring Diagram Schematic Parts Lookup With Diagrams Partstree : Manual changeover switch wiring diagram for portable generator or how to connect a generator to house generac 7043 home standby generator 22kw/19.5kw air cooled with whole house 200 amp transfer home wiring and electrical projects book.
Generac Generator Wiring Diagram / Generac 9091 0 Generac 3 300 Watt Portable Generator Wiring Diagram Schematic Parts Lookup With Diagrams Partstree : Manual changeover switch wiring diagram for portable generator or how to connect a generator to house generac 7043 home standby generator 22kw/19.5kw air cooled with whole house 200 amp transfer home wiring and electrical projects book.. Use our part lists, interactive diagrams, accessories and expert repair advice to make your repairs easy. This project will monitor a backup generator that utilizes the generac controllers over a wifi or wired connection. Symbols you should know wiring diagram examples a wiring diagram is a visual representation of components and wires related to an electrical connection. Most generac automatic standby generators come with a pre wired automatic transfer switch. Decided to make a video showing the inside of the control panel and provide a few tips and.
Eps 2277 diesel generator wiring diagram. Damage caused by miswiring of the interconnect wires is not generac will warrant the emission control system on your equipment for the period of time listed below provided. View and download generac power systems 10 kw lp repair manual online. Wiring diagram for generac engine on standby. Evolution controller (2013 and later).
China Generac Rxsw200a3 Mcb Reliance Generator Transfer Switch Wiring Diagram China Automatic Transfer Switch Auto Transfer Switch from image.made-in-china.com Decided to make a video showing the inside of the control panel and provide a few tips and. Generac portable generator part number. The motor has no spark to plug. Ensure that all wires that are visible and the fuel lines are tight and snug with no cracking or fraying. While ordering the wires from generac (note 1) also request the password to enable 2 wire remote start feature. This means the only wiring necessary will be to connect elegant generac 200 amp transfer switch wiring diagram welcome to help my own blog on this time period i am going to provide you with in relation to. Ziller electric is your source for generac generator wire. At s generator wiring diagrams.
At s generator wiring diagrams.
The solenoid isn't getting energized. According to earlier, the lines at a generac generator wiring diagram represents wires. Wiring diagram for generac engine on standby. The diagram offers visual representation of the electrical arrangement. Set the main switch on the. From the above diagram, i guess it can be used for kick starter generator? Components on generac recreational vehicle generators are designed and manufactured to comply with recreational vehicle industry association (rvia) rules and regulations to minimize electrical data. Ensure that all wires that are visible and the fuel lines are tight and snug with no cracking or fraying. Generac generator parts 0d9853a push rod. Occasionally, the cables will cross. It shows the components of the circuit as simplified shapes, and the facility and signal links in the midst of the devices. Damage caused by miswiring of the interconnect wires is not generac will warrant the emission control system on your equipment for the period of time listed below provided. For standby generators, it is typically a good idea to have a professional electrician do any wiring if.
The password is not intended for. In case of a wiring issue, it is better for you to call a professional to fix it. When installing the generator set and connecting wiring, keep the generator and system. Generac power systems 10kw page #165: The generac generator is one of the best generators that are used at home to power devices.
Generac Qt02016jnsn Generac 20kw Home Standby Generator Sn 4981733 4981733 2016 Wiring Diagram 0h4371 Parts Lookup With Diagrams Partstree from www.partstree.com Ziller electric is your source for generac generator wire. According to earlier, the lines at a generac generator wiring diagram represents wires. While ordering the wires from generac (note 1) also request the password to enable 2 wire remote start feature. Use our part lists, interactive diagrams, accessories and expert repair advice to make your repairs easy. Generac 0068660 iq2000 portable generator parts. Eps 2277 diesel generator wiring diagram. In case of a wiring issue, it is better for you to call a professional to fix it. Need to fix your 0068660 iq2000 portable generator?
Symbols you should know wiring diagram examples a wiring diagram is a visual representation of components and wires related to an electrical connection.
When installing the generator set and connecting wiring, keep the generator and system. Need to fix your 0068660 iq2000 portable generator? It shows the components of the circuit as simplified shapes, and the facility and signal links in the midst of the devices. Components on generac recreational vehicle generators are designed and manufactured to comply with recreational vehicle industry association (rvia) rules and regulations to minimize electrical data. Wiring diagram for generac engine on standby. The straightforward wiring procedure for home use uses the 50 amp receptacle on the generator and limits check the generator instructions for lug connections that bypass the receptacles and therefore can be used to draw the full 15 kw. And if so, why is there no stop wires/terminal to switch off generator manually the way. Evolution controller (2013 and later). Generac generator parts 0d9853a push rod. I had a loose connector that was causing a voltage drop issue. Use our part lists, interactive diagrams, accessories and expert repair advice to make your repairs easy. Generac generator monitoring using a raspberry pi and wifi. Generac portable generator part number.
We provide fast same day shipping. Generac 0068660 iq2000 portable generator parts. Evolution controller (2013 and later). The password is not intended for. It shows the components of the circuit as simplified shapes, and the facility and signal links in the midst of the devices.
Vk 0216 Generac Battery Charger Wiring Diagram Download Diagram from static-cdn.imageservice.cloud Generac generator monitoring using a raspberry pi and wifi. In case of a wiring issue, it is better for you to call a professional to fix it. Generac power systems 10kw page #165: Type of wiring diagram wiring diagram vs schematic diagram how to read a wiring diagram: This project will monitor a backup generator that utilizes the generac controllers over a wifi or wired connection. Generac generator parts 0d9853a push rod. Components on generac recreational vehicle generators are designed and manufactured to comply with recreational vehicle industry association (rvia) rules and regulations to minimize electrical data. Ensure that all wires that are visible and the fuel lines are tight and snug with no cracking or fraying.
The password is not intended for.
Generac engine parts finding your generac engine parts is simple with our online parts diagrams: According to earlier, the lines at a generac generator wiring diagram represents wires. The straightforward wiring procedure for home use uses the 50 amp receptacle on the generator and limits check the generator instructions for lug connections that bypass the receptacles and therefore can be used to draw the full 15 kw. Manual changeover switch wiring diagram for portable generator or how to connect a generator to house generac 7043 home standby generator 22kw/19.5kw air cooled with whole house 200 amp transfer home wiring and electrical projects book. Ensure that all wires that are visible and the fuel lines are tight and snug with no cracking or fraying. Generac portable generator part number. Wiring diagram for generac engine on standby. Generac generator monitoring using a raspberry pi and wifi. I had a loose connector that was causing a voltage drop issue. Use our part lists, interactive diagrams, accessories and expert repair advice to make your repairs easy. Generac generator parts 0d9853a push rod. View and download generac power systems 10 kw lp repair manual online. This project will monitor a backup generator that utilizes the generac controllers over a wifi or wired connection.