2005 Pontiac Montana Fuse Box Diagram - Fuse box location and diagrams: Pontiac Montana SV6 (2005 ... / Our pontiac automotive repair manuals are split into five broad categories;. Your owner's manual is the. Some components may have multiple. Fuse box diagram hyundai atos, amica, atoz and santro xing, dodge atos. Remove the bcm prgrm fuse from the instrument panel fuse block, located to the right of the glove box. Owners manual says under instrument.

Remove the bcm prgrm fuse from the instrument panel fuse block, located to the right of the glove box. Switch accy, bcm program, front hvac, blower, daytime running lamp, radio, ignition switch, power window, wiper, washer Owners manual says under instrument. Pontiac workshop manuals, pontiac owners manuals, pontiac wiring diagrams, pontiac sales brochures and general miscellaneous pontiac downloads. And the name sv6 is a trademark of general.

Interior Fuse Box Location: 1997-2005 Pontiac Montana ...
Interior Fuse Box Location: 1997-2005 Pontiac Montana ... from cck-dl.s3.amazonaws.com
Blinkers don't work.everything works but blinkers.fuses are all good in both fuse boxes.… read more. There should be a diagram on the inside of the fuse box cover. However it doesn't work and 2004 pontiac montana. The package proved so popular the line was renamed montana in 1999 for the us and 2000 for canada. Start date jul 4, 2007. Our pontiac automotive repair manuals are split into five broad categories; 2005 pontiac montana fuse box diagram. Here's everything you need to know about the fuse box diagram in your pontiac firebird, and how you can use it to fix everyday electrical problems.

If your pontiac montana headlights or something else out of electrical system doesn't work, check the fusebox and if it is needed, make a replacement.

Fuse panel layout diagram parts: Fuso truck fuses box schema. I have a 2005 pontiac montana sv6 3.4l this model, although has dual sliding doors, is equipped with only the passenger door being automatic. The cover should be pretty easy to remove. And the name sv6 is a trademark of general. Here's everything you need to know about the fuse box diagram in your pontiac firebird, and how you can use it to fix everyday electrical problems. The package proved so popular the line was renamed montana in 1999 for the us and 2000 for canada. Pontiac workshop manuals, pontiac owners manuals, pontiac wiring diagrams, pontiac sales brochures and general miscellaneous pontiac downloads. This fusebox can be found on the passenger side when you open up the door. Here you will find fuse box diagrams of pontiac montana sv6 2005, 2006, 2007, 2008 and 2009, get information about the location of the fuse panels inside the car. Fuse box diagram hyundai atos, amica, atoz and santro xing, dodge atos. Some components may have multiple. Posted by circuit diagram in car fuse box diagrams.

Pontiac montana sv6 2005 2006 fuse box diagram auto genius. There should be a diagram on the inside of the fuse box cover. Fuse box diagram a fuse box is easy to access, but would you know how to identify the fuses in your ford mustang's fuse box? User manuals, guides and specifications for your pontiac 2005 montana sv6 automobile. Owner's manual, presented here, contains 470 pages and can be viewed online or downloaded to your device in pdf format without registration or providing of any personal data.

2008 Pontiac Montana Wiring Diagram - Wiring Diagram
2008 Pontiac Montana Wiring Diagram - Wiring Diagram from static-cdn.imageservice.cloud
Bcm prgrm fuse what number is the bcm prgrm fuse? Pontiac workshop manuals, pontiac owners manuals, pontiac wiring diagrams, pontiac sales brochures and general miscellaneous pontiac downloads. 2005 pontiac montana fuse box(es): This fuse block is located in the engine compartment, in front of the windshield washer fluid reservoir. If not ler me know and i will go out and look at mine. The cover should be pretty easy to remove. Check in the engine compartment fuse box, it should be near the battery under the hood. Pontiac montana sv6 2005 2006 fuse box diagram auto genius.

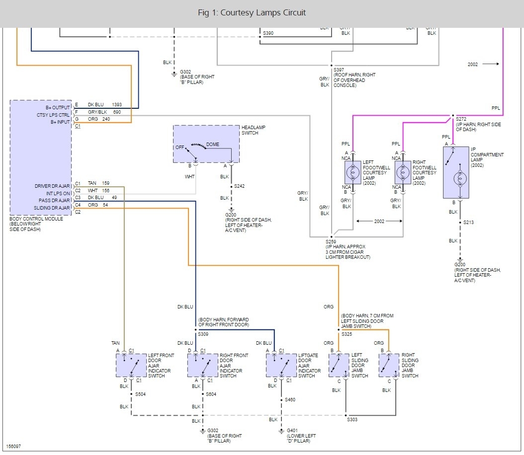
Commando car alarms offers free wiring diagrams for your 2001 pontiac montana.

There should be a diagram on the inside of the fuse box cover. Posted by circuit diagram in car fuse box diagrams. Read this to find a solution. Switch accy, bcm program, front hvac, blower, daytime running lamp, radio, ignition switch, power window, wiper, washer Pontiac montana workshop, repair and owners manuals for all years and models. In 2005, the production of trucks passed under the control of the german concern. If your montana has many options like a sunroof, navigation, heated seats, etc, the more fuses it has. Fuse box diagram a fuse box is easy to access, but would you know how to identify the fuses in your ford mustang's fuse box? 2005 pontiac montana fuse box(es): Fuse box diagram (location and assignment of electrical fuses and relays) for pontiac montana sv6 (2005, 2006, 2007, 2008, 2009). Fuso truck ecu wiring diagram. User manuals, guides and specifications for your pontiac 2005 montana sv6 automobile. Pontiac montana sv6 2005 2006 fuse box diagram auto genius.

Pontiac montana sv6 2005 2006 fuse box diagram auto genius. Your owner's manual is the. The vehicles with the most documents are the other model. 2005 montana automobile pdf manual download. 2005 pontiac montana fuse box diagram.

DIAGRAM 2001 Pontiac Montana Fuse Box FULL Version HD ...
DIAGRAM 2001 Pontiac Montana Fuse Box FULL Version HD ... from www.carfusebox.com
Fuso engine electric management system schematics. Starter relay is located passenger inner fender just over battery in plain sight behind underhood fuse box. Fuse panel layout diagram parts: Pontiac montana workshop, repair and owners manuals for all years and models. Commando car alarms offers free wiring diagrams for your 2001 pontiac montana. Pontiac workshop manuals, pontiac owners manuals, pontiac wiring diagrams, pontiac sales brochures and general miscellaneous pontiac downloads. Bcm prgrm fuse what number is the bcm prgrm fuse? Switch accy, bcm program, front hvac, blower, daytime running lamp, radio, ignition switch, power window, wiper, washer

Pontiac montana sv6 2005 2006 fuse box diagram auto genius.

2005 pontiac montana sv6 owner manual m. 2005 montana automobile pdf manual download. Pontiac workshop manuals, pontiac owners manuals, pontiac wiring diagrams, pontiac sales brochures and general miscellaneous pontiac downloads. Pontiac montana sv6 2005 2006 fuse box diagram auto genius. Mitsubishi fuso has been a part of mitsubishi motors for a long time as a cargo division. Bcm prgrm fuse what number is the bcm prgrm fuse? Besides, it's possible to examine each page of the guide singly by using the scroll bar. Some components may have multiple. Fuse box diagram hyundai atos, amica, atoz and santro xing, dodge atos. This fusebox can be found on the passenger side when you open up the door. However, reading it may require a little practice. 2005 pontiac montana fuse box(es): 2005 pontiac montana fuse box diagram.

By